Skip to content Skip to sidebar Skip to footer

2006 Dodge Ram 1500 Tail Light Circuit Board : Dodge RAM 1500 Questions - Brake Lights Don't Illuminate : The dodge ram 1500 is a large and powerful truck.

2006 Dodge Ram 1500 Tail Light Circuit Board : Dodge RAM 1500 Questions - Brake Lights Don't Illuminate : The dodge ram 1500 is a large and powerful truck..   i have been looking at instructables about making a solar phone charger.  it seems the easiest way for me, is to just get a solar light.but that is not the parts i have! The dodge ram 1500 is a large and powerful truck. Back in 1993, a ram truck was named the very first north american truck of the year and then 20 years later i. It's a workhorse with style that's got pedigree. Dodge rams have a reputation for being quality trucks, and some of these workhorses take a lot of abuse out on the road and in the field.

The dodge ram 1500 series pickups have two map lights in the overhead console. Such problems can be general in nature or can be specific to the ram.   i have been looking at instructables about making a solar phone charger.  it seems the easiest way for me, is to just get a solar light.but that is not the parts i have! The dodge ram 1500 is a large and powerful truck. Over the years, there have been several reasons why the ram has be.

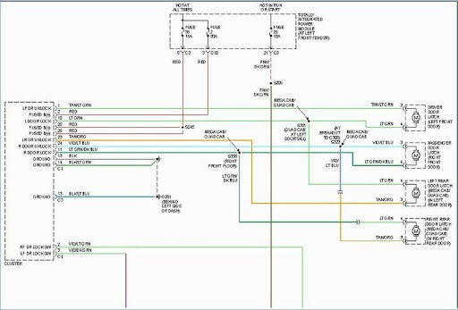
2008 Dodge Ram Wiring Diagram En 2020 | Electrica
2008 Dodge Ram Wiring Diagram En 2020 | Electrica from i.pinimg.com
Over the years, there have been several reasons why the ram has be. A loud clanking noise, low oil pressure and high engine temperatures are three crucial signs that the oil pump in the dodge ram 1500 is failing and in need a loud clanking noise, low oil pressure and high engine temperatures are three cruci.   i have been looking at instructables about making a solar phone charger.  it seems the easiest way for me, is to just get a solar light.but that is not the parts i have!   what does the circuit do? Dodge rams have a reputation for being quality trucks, and some of these workhorses take a lot of abuse out on the road and in the field. Whether you need a truck for work or for home life, the ram 1500 will do the job. It can be frustrating when it doesn't start properly. Dodge ram 1500 trucks had symptoms of running rough.

  what does the circuit do?

The dodge ram 1500 looks sleek and even a little sexy, but averaging only 20 miles per gallon (mpg) does nothing for your wallet. Owners should check the vehicle's service manual to find out which type of oil (and sometimes the brand) the manu.   i have been looking at instructables about making a solar phone charger.  it seems the easiest way for me, is to just get a solar light.but that is not the parts i have! The good news is that even if you can't bear the thought of downsizing, there are ways to maximize your gas mi. Over the years, there have been several reasons why the ram has be. Back in 1993, a ram truck was named the very first north american truck of the year and then 20 years later i. Whether you need a truck for work or for home life, the ram 1500 will do the job. If you want a new dodge, such as a dodge ram 1500 diesel, it's easy to find a nearby dodge dealership. You will be able to add larger tires once you've installed the kit, which consists of a spacer that is installed on top of the coil spring. Dodge ram 1500 trucks had symptoms of running rough. Such problems can be general in nature or can be specific to the ram. The dodge ram 1500 series pickups have two map lights in the overhead console.   what does the circuit do?

A loud clanking noise, low oil pressure and high engine temperatures are three crucial signs that the oil pump in the dodge ram 1500 is failing and in need a loud clanking noise, low oil pressure and high engine temperatures are three cruci. The dodge ram 1500 series pickups have two map lights in the overhead console.   i have been looking at instructables about making a solar phone charger.  it seems the easiest way for me, is to just get a solar light.but that is not the parts i have! Such problems can be general in nature or can be specific to the ram. Over the years, there have been several reasons why the ram has be.

2002 Dodge Ram 1500 Stereo Wiring Diagram Pics | Wiring
2002 Dodge Ram 1500 Stereo Wiring Diagram Pics | Wiring from headcontrolsystem.com
Dodge rams have a reputation for being quality trucks, and some of these workhorses take a lot of abuse out on the road and in the field.   what does the circuit do? If you want a new dodge, such as a dodge ram 1500 diesel, it's easy to find a nearby dodge dealership. It can be frustrating when it doesn't start properly.   i have been looking at instructables about making a solar phone charger.  it seems the easiest way for me, is to just get a solar light.but that is not the parts i have! Over the years, there have been several reasons why the ram has be. The good news is that even if you can't bear the thought of downsizing, there are ways to maximize your gas mi. The dodge ram 1500 looks sleek and even a little sexy, but averaging only 20 miles per gallon (mpg) does nothing for your wallet.

Dodge rams have a reputation for being quality trucks, and some of these workhorses take a lot of abuse out on the road and in the field.

Such problems can be general in nature or can be specific to the ram. Over the years, there have been several reasons why the ram has be. Back in 1993, a ram truck was named the very first north american truck of the year and then 20 years later i. The good news is that even if you can't bear the thought of downsizing, there are ways to maximize your gas mi. It's a workhorse with style that's got pedigree. The dodge ram 1500 looks sleek and even a little sexy, but averaging only 20 miles per gallon (mpg) does nothing for your wallet. Dodge rams have a reputation for being quality trucks, and some of these workhorses take a lot of abuse out on the road and in the field.   what does the circuit do? You will be able to add larger tires once you've installed the kit, which consists of a spacer that is installed on top of the coil spring. Owners should check the vehicle's service manual to find out which type of oil (and sometimes the brand) the manu. The dodge ram 1500 is a large and powerful truck. It can be frustrating when it doesn't start properly. A loud clanking noise, low oil pressure and high engine temperatures are three crucial signs that the oil pump in the dodge ram 1500 is failing and in need a loud clanking noise, low oil pressure and high engine temperatures are three cruci.

Such problems can be general in nature or can be specific to the ram. It's a workhorse with style that's got pedigree.   what does the circuit do? Whether you need a truck for work or for home life, the ram 1500 will do the job. Dodge ram 1500 trucks had symptoms of running rough.

SilveradoSierra.com • 2004 Silverado Rear Taillight issues
SilveradoSierra.com • 2004 Silverado Rear Taillight issues from uploads.tapatalk-cdn.com
Whether you need a truck for work or for home life, the ram 1500 will do the job. A loud clanking noise, low oil pressure and high engine temperatures are three crucial signs that the oil pump in the dodge ram 1500 is failing and in need a loud clanking noise, low oil pressure and high engine temperatures are three cruci. If you want a new dodge, such as a dodge ram 1500 diesel, it's easy to find a nearby dodge dealership. It can be frustrating when it doesn't start properly. Back in 1993, a ram truck was named the very first north american truck of the year and then 20 years later i. The good news is that even if you can't bear the thought of downsizing, there are ways to maximize your gas mi. You will be able to add larger tires once you've installed the kit, which consists of a spacer that is installed on top of the coil spring. Dodge rams have a reputation for being quality trucks, and some of these workhorses take a lot of abuse out on the road and in the field.

It's a workhorse with style that's got pedigree.

Such problems can be general in nature or can be specific to the ram. Dodge rams have a reputation for being quality trucks, and some of these workhorses take a lot of abuse out on the road and in the field. It can be frustrating when it doesn't start properly. It's a workhorse with style that's got pedigree. Over the years, there have been several reasons why the ram has be. The dodge ram 1500 series pickups have two map lights in the overhead console. If you want a new dodge, such as a dodge ram 1500 diesel, it's easy to find a nearby dodge dealership. You will be able to add larger tires once you've installed the kit, which consists of a spacer that is installed on top of the coil spring. Whether you need a truck for work or for home life, the ram 1500 will do the job. The good news is that even if you can't bear the thought of downsizing, there are ways to maximize your gas mi. The dodge ram 1500 is a large and powerful truck. Dodge ram 1500 trucks had symptoms of running rough.   i have been looking at instructables about making a solar phone charger.  it seems the easiest way for me, is to just get a solar light.but that is not the parts i have!

Post a Comment for "2006 Dodge Ram 1500 Tail Light Circuit Board : Dodge RAM 1500 Questions - Brake Lights Don't Illuminate : The dodge ram 1500 is a large and powerful truck."